详细介绍
产品概述
QH精小型电动执行机构是现代科技的结晶,其设计、*进的工艺、忧质的零咅田牛、科学而严谨的 质星检测打造了阀「曲I行器行业的神话,与此同时,它还将阀门控制带入了清度化、数字化、智能化时代,无 可厚非的成为了自动化控制行业的后起。
QH精小型电动执行机构与同类产品相比具有的性能,无可争辩的优势,其疗津清致小巧、美观大 方,内部设计,坚韧耐磨不易损坏。
•体枳小巧:体枳只有同类产品的35% & ;
,轻便宜人:压蹦吕合金外壳"津清致流畅并能减少电磁干扰i
•清密耐感蜗轮与蜗杆结合,和谐联动,涡轮输出一体化有效的减小了连接间障,使传动清度大幅 海高i
,使用方便:免检点、免加油、防锈防水、任意角度安装i
•务重保护:电器限位、骊限位、过熬保护、除湿保护i
•速度务样:5秒、15秒、3口秒、6口秒、1W秒等i
•班空调节:高度集成智能化模块,数字设定、数字整定、自诊断高度清确,无需定位器,自掛空制,一 机务謳
•安全故障:通过AC1500V耐压检测,H级高度绝缘电机,保障机体和生产安全[
QH系列产品主要有基本型、电阻型(开度型)、智能调节型、F化型四大类,型号近百种,它可实现 与不同种类的球阀、蝶阀等部分回转型阀门相连接,输出力矩范围为可选电源有: DC24V. DC220V. AC24V. AC110V. AC220V. AC38CV
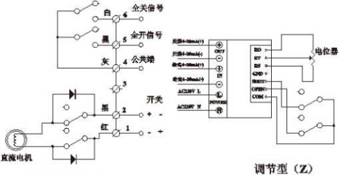
QH智能调节型电动执行器采用以工业单片机为主体,集信号采集、处理、反馈、控制为T,提言了调 节清度,进一步缩小了执行器本身的体枳。该执行器能直接接収外界输入的0 ~ 10V、1 ~ SV、井〜 20MA直流信号,并根据输入信号的具体数值来清确的调节阀门开度的大小,它具有全新的瞅孙且尼装置能消 除惯性,抑制震荡从而保证了定位高达( 1/1000 )。在调甘空制的同时输出4 ~ 20MAD。反馈信号准确有 效的显示阀门的实际开度值。它本体有LTD戒晶显示,8 e旨示灯能具体盼旨示鄢嘛作,从而让调试更加方 便准确。
• 0-10V. 1-5V. 4-20MA {DC);
•输出信号:0-10V. 1 -5V. 4-20MA {DC),对应阀门全闭~全开i
•控制清度:0-1%-3-1%可调i
參选择状态:输入信号中断时,中断状态可选择开、停、闭3种状态,控制阀门开闭方向时,有正、逆 2种状态选择i
•可与相应的传感器组合构成压力、温度、戒位等整体控制系茨。
性能参数表
功能 机 | 05型 | 10 £11 | 16型 | 25 2( | 50 £11 | 100型 | 200型 |
电源 | 心迪} 50/60HZ 如需(AC24V、AC1W . AC3B0V | 、DC24V、 DC220V )等电压订货时请厕 | |||||
力电 | 50NM | 100NM | 160NM | 250NM | 500NM | 1000NM | 2000NM |
时间(一$ ) | 15、30 | 1S30/60 | 1S30/60 | 1S30/60 | 1S30/60 | 60 | 60.100 |
电机 | 15W | 23W | 2网 | 5CW | 90W | 100W | 10CW |
工作电流 | 0.25A | 0.6A | 0.7A | 0.8A | 1.2A | 1.3A | 1.3A |
2.5KG | 3.7KG | 3.7KG | 6.8KG | 8.0KG | 12KG | 12KG | |
转动甬度 | cr - 90c | ||||||
-30 VC- +6CTC | |||||||
耐圧情 | 1500AC/1 分钟 | ||||||
防护等鶉 | IP67 | ||||||
电器机械 | |||||||
手动嗥作 | 咐带手柄 | ||||||
安装命度 | 任意眉度 |
兼注:时间指从0° - 90°行程所需时间,转动珀度:指行程的珀度可間范围
选装功能
① 加热除湿器;
② 过扭矩保护;
③ 。〜10V、1〜5V、4〜20MA智能调节型f
砂体化(带现场操作)
电器原理图
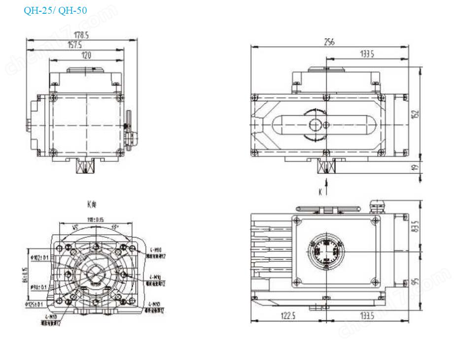
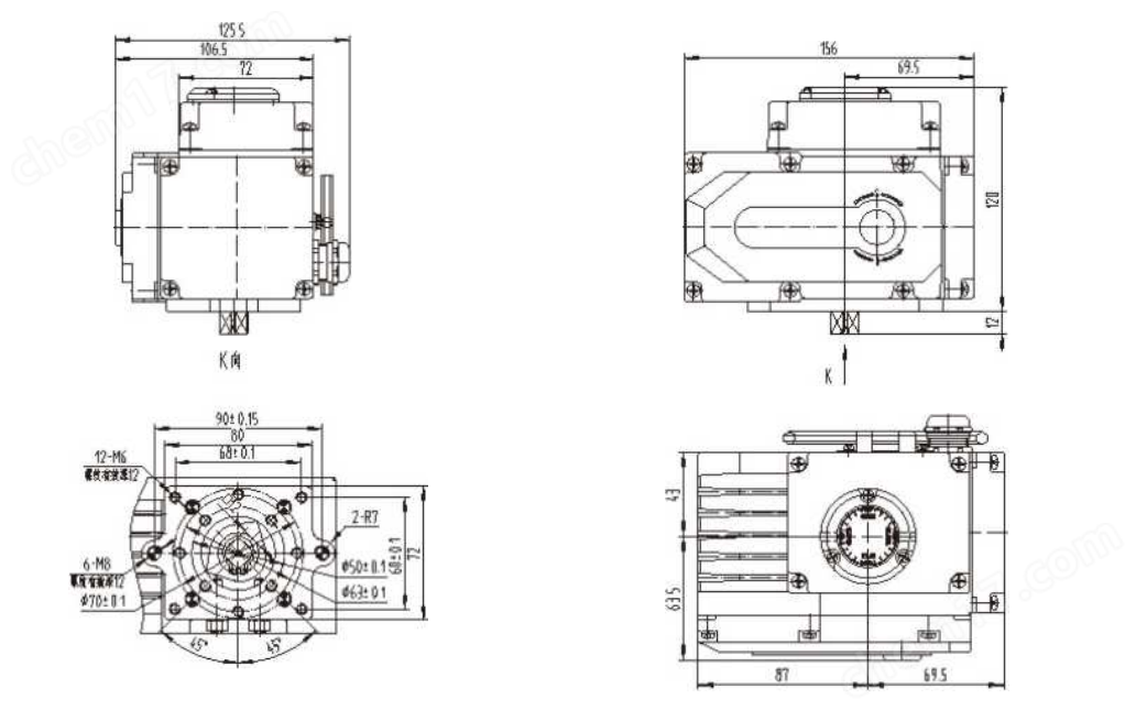
QH-05外型尺寸
产品咨询